欢迎您光临河南泉舜流体控制科技有限公司!
全国热线:0371-55693192    EN  CN
双向金属密封旋球阀
河南泉舜流体控制科技有限公司根据金属硬密封三偏心蝶阀的机构进行改进,研制出双向流硬碰硬旋球阀。旋球阀广泛用于水泵出口端、管网系统、回收系统、高位水槽、易水淹的污水系统、防倒流系统等。产品特点1、双向切断功能:双向密封,阀门安装方向不受流体方向的限制;2、阀门设计有自密封结构:阀门在介质压力下能
  • 口径:2”~120” DN50~DN3000
  • 压力:Class 150~Class 300 PN10~PN64
  • 材质:WCB(A105), LCB, CF8(304), CF8M(316), CF3(304L), CF3M(316L)等
  • 密封面:硬质合金等可选
  • 连接方式:法兰、焊接
  • 涡轮传动:手动、电动、气动
  • 产品应用:环保、市政、电力、化工、矿山、冶金等。

 

河南泉舜流体控制科技有限公司根据金属硬密封三偏心蝶阀的机构进行改进,研制出双向流硬碰硬旋球阀。旋球阀广泛用于水泵出口端、管网系统、回收系统、高位水槽、易水淹的污水系统、防倒流系统等。

产品特点

  1、双向切断功能:双向密封,阀门安装方向不受流体方向的限制;

  2、阀门设计有自密封结构:阀门在介质压力下能实现可靠密封; 

  3、强密封比压 :当阀门反向流体方向安装时,压力介质作用于阀座,作用点的接触面积为圆环形,作用力很大,形成强大的密封比压;

  4、具有补偿磨损功能,阀门使用寿命长;

  5、旋球阀具有独特的转动结构和阀板、阀座的密封面为球面对圆锥面,在阀门启闭时,固体颗粒被碾碎,具有自清洁功能。

技术参数

  口径:2”~120” DN50~DN3000

  压力:Class 150~Class 300   PN10~PN40

  阀体材质:WCB(A105),  LCB, CF8(304), CF8M(316), CF3(304L), CF3M(316L)等

  密封面材质:硬质合金等可选

  连接方式:法兰、焊接

  驱动方式:手动、电动、气动

应用行业

  环保、市政、电力、化工、矿山、冶金等。

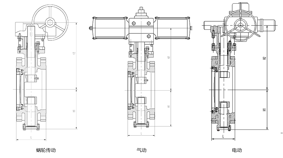
主要尺寸图

法兰端旋球阀主要尺寸图

法兰连接旋球阀主要尺寸图

 

公称尺寸  结构长度L(mmH1H2
NPS
(Inch )
DN(mm)PN6/PN10/PN16
/PN25/Class150
PN40/
Class 300
蜗轮传动气动电动
250108150118.5230510410
2-1/265112170128.5240500400
380114180140240505425
4100127190150270525450
5125140200171313520440
6150140210208340586491
8200152230243380618543
10250165250275448641661
12300178270280505750785
14350190290325535750820
16400216310342630844864
18450222330386691857942
20500229350440.5754839.5970
246002673905028759431093
2870029243054790510291288
32800318470603.592110901420
36900330510663.51130.513301620
401000410550708111512941659
481200470630833.5128516501791
561400530710933.5138515971913
6416006007901056159216502056
7218006708701173.51692
2211
80200076095012631875
2310
882200800
13762120
2520
962400850
15002230
2600
1042600900
16302310
2735
1122800950
17502450
2885
12030001000
18552610
3220


对焊端旋球阀主要尺寸图


 

公称尺寸结构长度L(mm)H1H2
NPS
(inch)
DN
(mm)
PN6/PN10/PN16/PN25
PN40/Class150/Class 300
手动气动电动
4100190112256510435
5125200130256510435
6150210140312556461
8200230173350500470
10250250222390500510
12300270240458598610
14350290264508630700
16400310296546630710
18450330335663658742
20500350360698683814
246003904087858241000
287004305037978801139
328004705539459401270
36900510613103011901620
401000550663104711901650
4812006307731235
1626
5614007108761383
1780
64160079010161527
1873
72180087011281793
1997
80200095012631875
2310
882200100013762120
2520
962400110015002230
2600
1042600120016302310
2735
1122800130017502450
2885
1203000140018552610
3220


 

 

 


上一篇:没有了!

下一篇:没有了!